- Alle producten zijn toegevoegd aan uw winkelmandje.


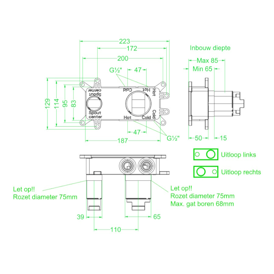
Deze inbouwbox van IVY is voor de Wastafelmengkraan 2-gats Wandmontage en is Links en Rechtsom te Plaatsen. De inbouwbox heeft een minimale inbouw diepte van 6,5 cm en een maximale inbouwdiepte van 8,5 cm. De rozet heeft een diameter van 7,5 cm waardoor het gat van de aansluiting niet groter dan 6,8 cm mag zijn, ander wordt het gat niet bedekt.
De inbouwbox heeft een lengte van 18,7 cm en een hoogte van 8,3 cm. De inbouw diepte van de inbouwbox is minimaal 6,5 cm en maximaal 8,5 cm. De rozet heeft een diameter van 7,5. De maat draadaansluiting is 1/2 inch.
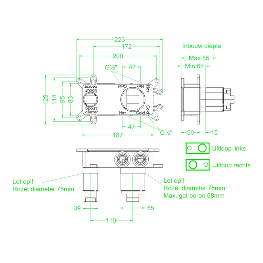
Deze inbouwbox van IVY is voor de Wastafelmengkraan 2-gats Wandmontage en is Links en Rechtsom te Plaatsen. De inbouwbox heeft een minimale inbouw diepte van 6,5 cm en een maximale inbouwdiepte van 8,5 cm. De rozet heeft een diameter van 7,5 cm waardoor het gat van de aansluiting niet groter dan 6,8 cm mag zijn, ander wordt het gat niet bedekt.
De inbouwbox heeft een lengte van 18,7 cm en een hoogte van 8,3 cm. De inbouw diepte van de inbouwbox is minimaal 6,5 cm en maximaal 8,5 cm. De rozet heeft een diameter van 7,5. De maat draadaansluiting is 1/2 inch.
