- Alle producten zijn toegevoegd aan uw winkelmandje.




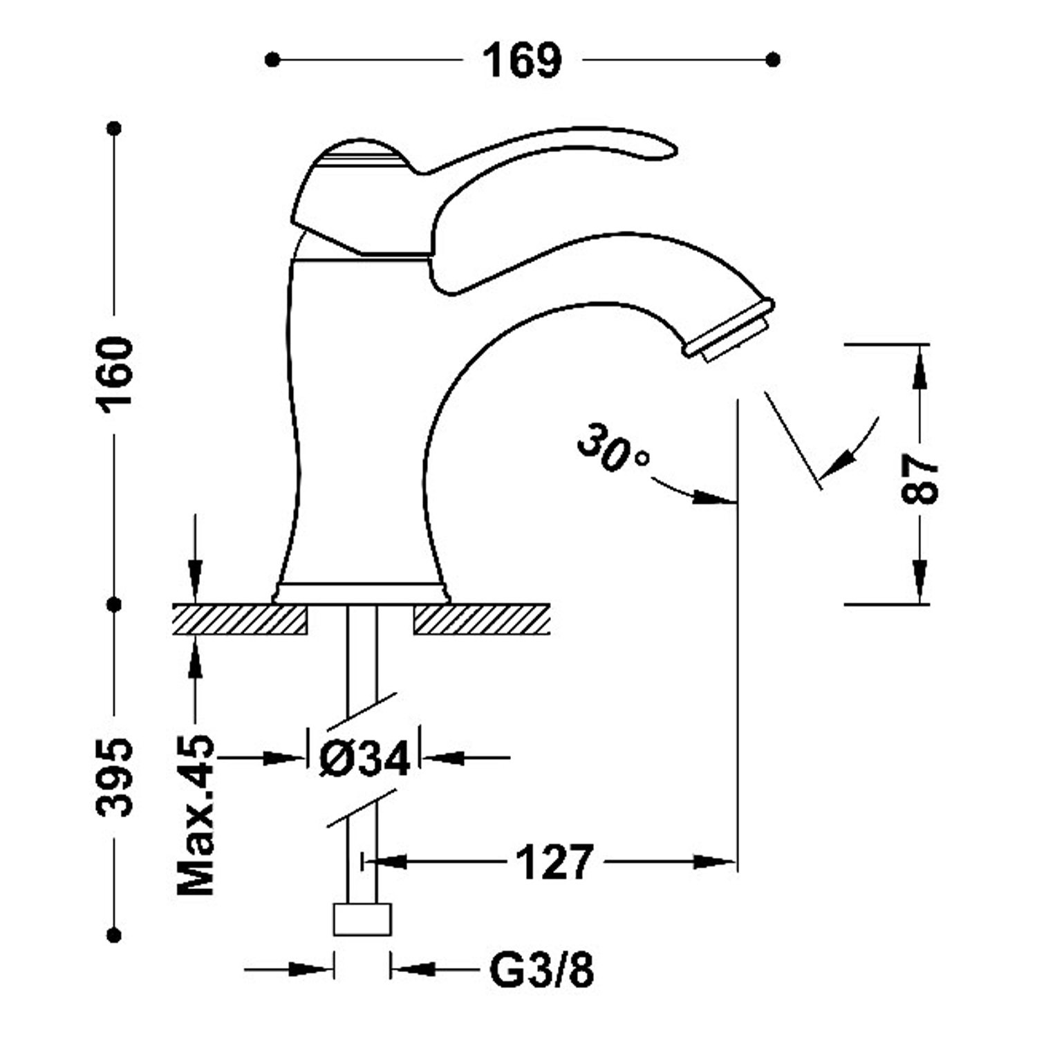
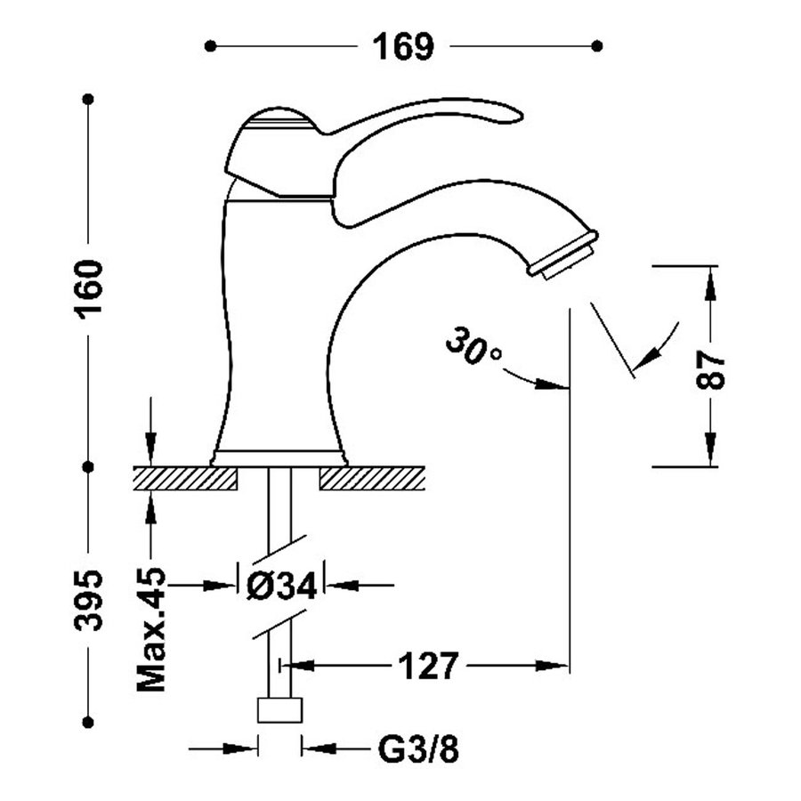
Deze wastafelmengkraan van de serie 'Clasic' van Tres heeft, zoals de serienaam al zegt een klassiek uiterlijk.
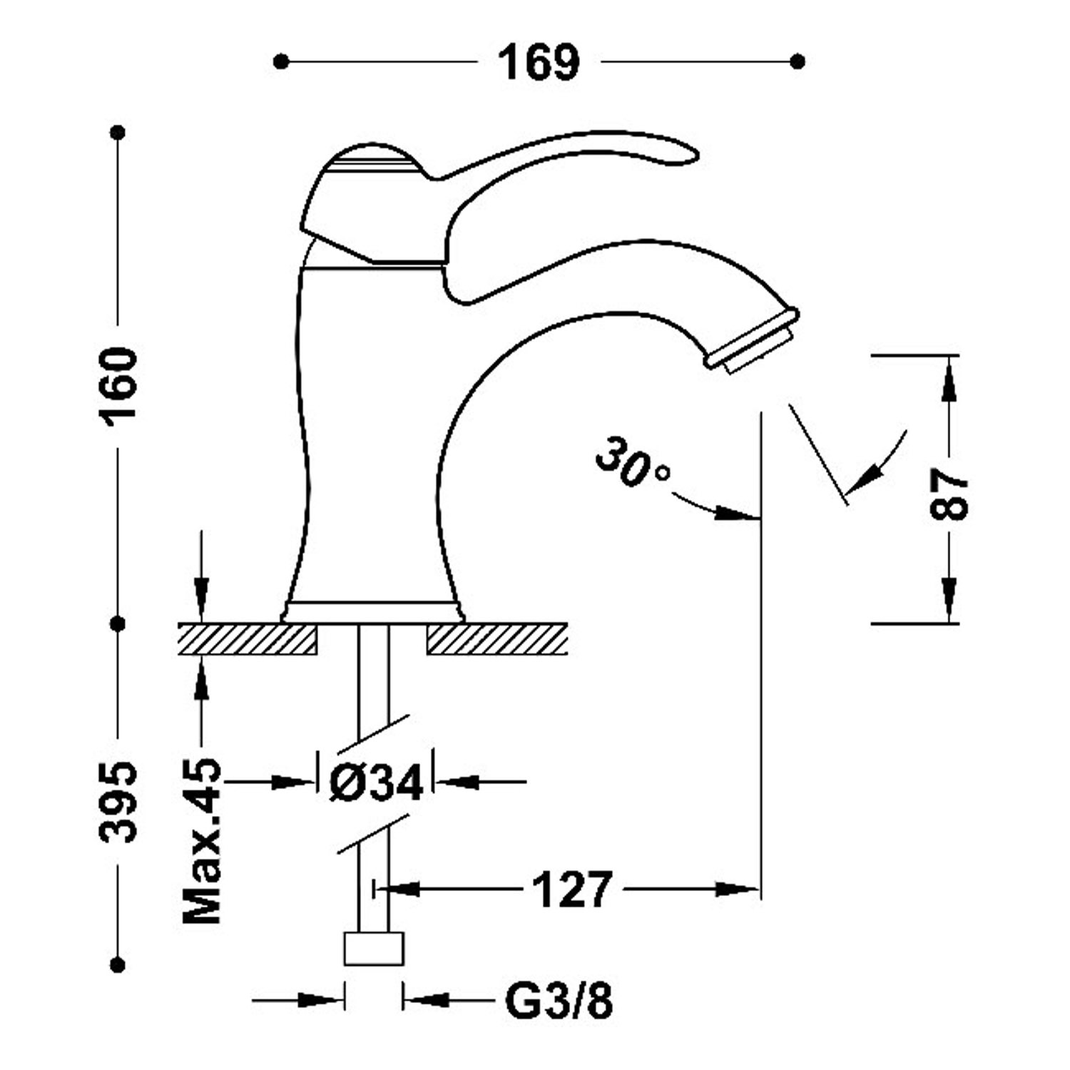
De kraan is elegant en speels door zijn gebogen uitloop en hendel. Hij heeft een hoogte van 16 cm en een diepte van 16,9 cm. Om de kraan aan te kunnen sluiten heeft het een kraangat van 3.4 cm doorsnede en een draadaansluiting van 3/8 inch.
Het binnenwerk van de kraan is voorzien van keramische schijven. Dit houdt de hendel soepel en zo gaat de kraan langer mee. Hij is gemaakt van messing. Dat is een stevig materiaal dat goed tegen vocht en hitte kan. Het zorgt dan ook voor zeer duurzame kranen.
Deze wastafelkraan heeft de kleur Goud. Het is een mengkraan. Dat houdt in dat u de temperatuur bepaald door aan de hendel te draaien. Daarmee mengt u het warme en koude water tot de gewenste temperatuur.
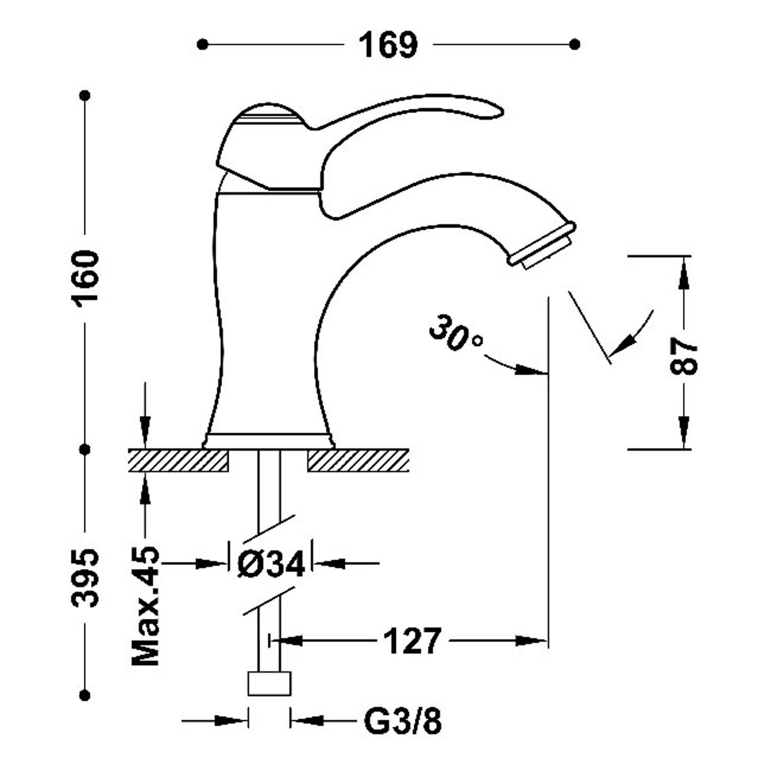
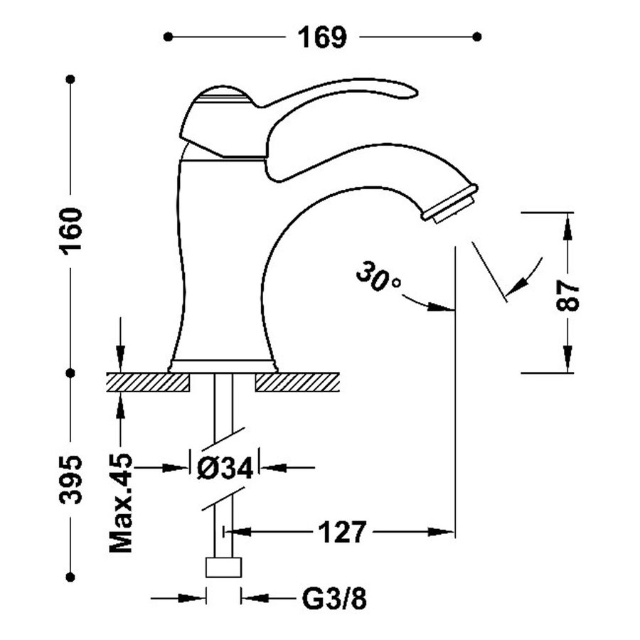
Deze wastafelmengkraan van de serie 'Clasic' van Tres heeft, zoals de serienaam al zegt een klassiek uiterlijk.
De kraan is elegant en speels door zijn gebogen uitloop en hendel. Hij heeft een hoogte van 16 cm en een diepte van 16,9 cm. Om de kraan aan te kunnen sluiten heeft het een kraangat van 3.4 cm doorsnede en een draadaansluiting van 3/8 inch.
Het binnenwerk van de kraan is voorzien van keramische schijven. Dit houdt de hendel soepel en zo gaat de kraan langer mee. Hij is gemaakt van messing. Dat is een stevig materiaal dat goed tegen vocht en hitte kan. Het zorgt dan ook voor zeer duurzame kranen.
Deze wastafelkraan heeft de kleur Goud. Het is een mengkraan. Dat houdt in dat u de temperatuur bepaald door aan de hendel te draaien. Daarmee mengt u het warme en koude water tot de gewenste temperatuur.

